Last updated 21/9/99 |
Coxing Amp Design Copyright © Ben Formesyn '96-99. |
The original Coxing amplifier design was based around the National Semiconductor LM383 chip, and this has been in production from at least 1986. However, this chip was withdrawn in October 1998, with the drive to new low power high efficiency amplifiers (Class D) for use in PC's and small mobile devices. The bad news is that these are generally not powerful enough for a coxbox application, and are not suitable for home construction as they require specialised components.
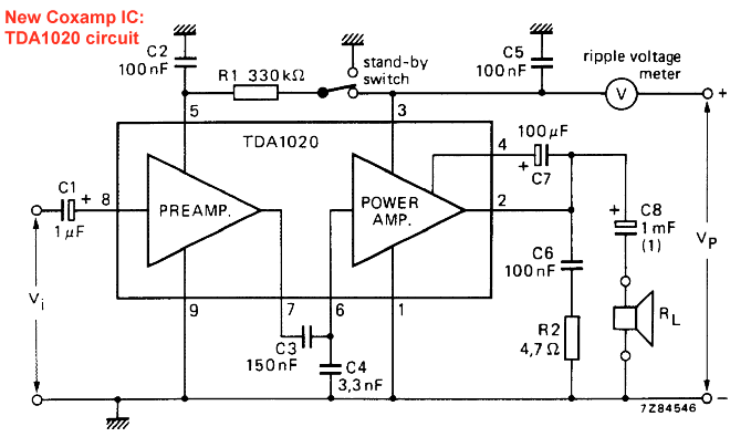
Scouring catalogues, after experimentation with different IC's the replacement I have found is based on the TDA1020 chip. The Circuit diagram below is lifted directly from the Phillips application datasheets, and on my testing seems to work quite well.

A few thoughts from the circuit that I built up using the above design - proper diagrams & photos to follow when I can lay my hands on a digital camera!
Concerns : Making it a bit louder - the above works fine, but you're not clipping the signal at full volume - it may be worth putting a low gain preamp in, but this goes against the KISS principle ! You could re-use the whole preamp design from the previous design, but this may be a bit of overkill.
You'll see some photo's in due course, but the external bits of the coxbox will remain the same so everything is compatible across the two designs.